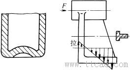
铸造件结构设计:优先受压
图 例 说 明

不合理

合理 改为内凸结构,减少拉应力;改进后加强肋受压应力 
不合理 合理 改进后加强肋受压应力
消息,DeepMind研究员Susan Zhang推测,DeepSeek V4的延期原因是训练数据翻倍至33T引发的严重不稳定...
2 伊朗战争重创聚酯供应商,或提高Zara和消息,伊朗战争导致化石燃料价格飙升,影响印度和孟加拉国的聚酯供应商,可能提高Zara和...
3 Jane Street请求法院驳回Terra诉讼Jane Street向美国法院申请驳回一项指控其与TerraUSD崩溃相关的内幕交易诉讼。该交易公司及多名...
4 Bitmex上线EWYUSDT永续合约,最高可达20倍杠消息,Bitmex宣布EWYUSDT永续合约现已上线 UTC开始交易,最高可达20倍杠杆。该合约为iShares MSCI韩...
5 交易员「neoyokio.ETH」增持CHIP多单至340万美消息,据HyperInsight监测,交易员「neoyokio.ETH」于今日凌晨增持CHIP多单至340万美元,成本均价为...
6 Bitfinex更新日志:版本1.130消息,Bitfinex宣布其交易平台的更新日志版本1.130,概述了所有性能和用户界面方面的更改。有...
7 国家知识产权局:人工智能、芯片、脑机消息,国家知识产权局在4月24日的新闻发布会上宣布,将人工智能、芯片和脑机接口纳入快保...
8 Grayscale CEO:以太坊ETF第一季度资金流入达消息,吴说获悉,Grayscale首席执行官Peter Mintzberg发推表示,Grayscale的以太坊Staking Mini ETF在202...
9 黑客已将75701枚ETH(约1.75亿美元)兑换为黑客已通过Thorchain等途径将所有75,701枚ETH兑换为BTC。此外,Mantle提议向AAVE提供30,000枚ETH作为贷...
10 币界早讯 比特币突破76000美元,机构需求04月24日日消息: 1. 比特币突破76000美元,机构需求激增。 2. 分析师:以太坊反弹至2300美元,...
成都来彰科技 蜀ICP备2025134723号-1
资讯来源互联网,如有版权问题请联系管理员删除。